- Contact Us
Tel: 0086-577-61726373
Fax: 0086-577-61712103
E-mail:
Address: No.88 Liuqing North Road,Liushi Town,Yueqing City,Zhejiang Province,China
Yesterday Gechy Electric Co.,Ltd analystic major components of static voltage stabilizer & let's us futher explain how static voltage stabilizer works. DSP bases control board continuously senses input voltage, output voltage, load current and IGBT current with help of CTs and VTs. Based on these values DSP control board will trigger IGBT bridge to generate voltage at its output with help of PWM method. Lets see in details operation of Static voltage regulator in Buck and Boost mode.

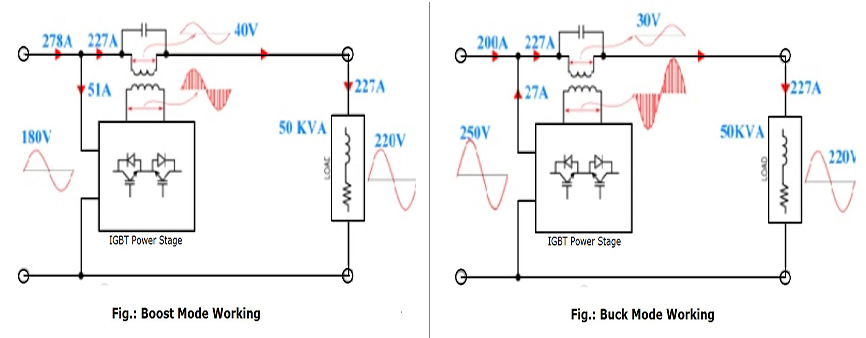
◆Boost Mode Working of static voltage regulator:
Lets consider example that a load of 50kVA, 220V is connected at output of static voltage regulator. and suppose low voltage of 180V is available at input line which needs to be corrected to 220V.
When DSP control board senses values of input voltage, output voltage, load current and IGBT current, to correct voltage it will trigger IGBT bridge to generate 40V (220-180=40V) at its output which is in phase with input line voltages.
It induces 40V at secondary of buck boost transformer. since both voltage; input line and voltage across secondary of buck boost transformer are in phase with each other , it get added and output voltage corrected to 220v.
◆Buck Mode Working of static voltage stabilizer:
Lets consider example that a load of 50kVA, 220V is connected at output of static voltage regulator. and suppose high voltage of 250V is available at input line which needs to be corrected to 220V.
When DSP control board senses values of input voltage, output voltage, load current and IGBT current, to correct voltage it will trigger IGBT bridge to generate 30V (250-220=30V) at its output which is 180 degree out of phase with input line voltages.
It induces 30V at secondary of buck boost transformer. since both voltage; input line and voltage across secondary of buck boost transformer are 180 degree out of phase with each other , it get subtracted and output voltage corrected to 220v. We strongly recommend Static Voltage regulator over traditional servo voltage stabilizer or servo voltage regulator.
English
Pусский

